|
Модель |
Размер, мм |
|||||||||||||||
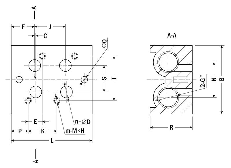
| n-∅D | B | C | E | F | G | m-M×H | J | K | L | N | P | ∅Q |
R |
S |
T |
|
|
ПМ-32.18-2 |
2-∅6 |
31 |
2 |
13 |
18 |
G⅛" |
2-M2×5 |
19 |
19 |
57 |
17 |
12,5 |
∅4 |
19 |
16 |
19 |
|
ПМ-32.18-4 |
4-∅6 | 4-M2×5 | 95 | |||||||||||||
|
ПМ-32.18-6 |
6-∅6 | 6-M2×5 | 133 | |||||||||||||
| ПМ-32.14-2 | 2-∅8 |
45 |
0 |
17,5 |
23 |
G¼" |
2-M2×6,5 |
23 |
23 |
69 |
24 |
19,5 |
∅4,5 |
23 |
22 |
30 |
| ПМ-32.14-3 | 3-∅8 | 3-M2×6,5 | 92 | |||||||||||||
| ПМ-32.14-4 | 4-∅8 | 4-M2×6,5 | 115 | |||||||||||||
| ПМ-32.14-5 | 5-∅8 | 5-M2×6,5 | 138 | |||||||||||||
| ПМ-32.14-6 | 6-∅8 | 6-M2×6,5 | 160 | |||||||||||||
| ПМ-32.14-8 | 8-∅8 | 8-M2×6,5 | 206 | |||||||||||||
| ПМ-32.14-10 | 10-∅8 | 10-M2×6,5 | 252 | |||||||||||||
| ПМ-32.38-6 | 6-∅10 | 50 | 21 | 27 | G⅜" | 6-M3×6,5 | 28 | 28 | 194 | 28,5 | 17 | ∅4,5 | 28 | 24 | 35 | |
| Модель пневмораспределителя | Модель постовой заглушки | Модель торцевой заглушки | Присоединение пневмораспределителя | Подключение пневмосистемы |
Количество установочных мест |
|
| ПМ-32.18 | РЭПВ-3211-18 | ЗП-3218 | ЗТР-18 |
G⅛" |
G⅛" |
2, 4, 5, 6, 7, 8, 10 |
| ПМ-32.14 | РЭПВ-3221-14 | ЗП-3214 | ЗТР-14 | G¼" | G¼" | |
| ПМ-32.38 | РЭПВ-3231-38 | – | ЗТР-38 | G⅜" | G⅜" | |
| ПМ-32.12 | РЭПВ-3241-12 | – | ЗТР-12 | G½" |
G½" |
