|
Параметр |
Значение |
|
Рабочая среда |
Горячая и холодная вода, пар, спирты, гликоль, воздух, пароводяная смесь, нефтепродукты, газ и пр. |
|
Материал - корпуса - сальника - игольчатого золотника |
Нержавеющая сталь 08Х17Н13М2 Фторопласт Нержавеющая сталь 20Х17Н2 |
|
Рабочая температура |
−40...+240°С |
| Тип иглы | Плавающая |
| Пропускная способность | 0,63 м³/час |
| Максимальное рабочее давление | 40 МПа |
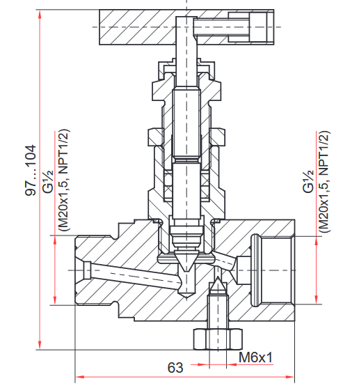
| Исполнение (резьба) |
Наружная / внутренняя Внутренняя / внутренняя |
| Резьба дренажного клапана | M6×1 |
|
Присоединение |
резьбовое G½, M20×1,5 или NPT½ |
| Вес |
580 г |
