| Параметр | Значение |
|
Рабочее давление |
0,15…1 МПа |
| Максимальное давление | 1,2 МПа |
|
Материал уплотнения |
NBR |
|
Рабочая температура |
0…+55°C |
|
Уплотнение |
NBR |
|
Присоединение |
G⅛"...G1" |
|
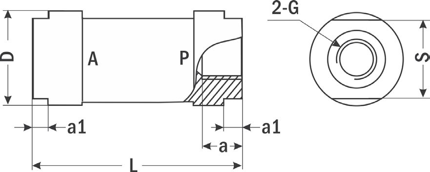
Модель |
Размеры, мм |
|||||
|
G |
D |
L |
S |
a |
a1 |
|
|
КП-О-6 |
G⅛" |
∅ 25 |
64 |
22 |
12 |
6 |
| КП-О-8 |
G¼" |
|||||
| КП-О-10 |
G⅜" |
∅ 38 |
81 |
34 |
17 |
8 |
| КП-О-15 |
G½" |
72 |
||||
| КП-О-20 |
G¾" |
∅ 50 |
109 |
45 |
21 |
10 |
| КП-О-25 |
G1" |
23 |
||||
