|
Параметр |
Значение |
| Рабочая среда |
Пар, вода, горячая вода, воздух, инертные газы, природный газ, масла, азотная кислота, уксус |
| Материал |
Корпуса: нержавеющая сталь Уплотнения: PTFE |
| Температура рабочей среды | −20...+150°C |
| Рабочее давление |
0,0...1,6 МПа |
| Диаметр условного прохода | 15...25 мм |
|
Присоединение крана |
Фланцевое F½"...F1" |
| Стандарт присоединения крана к приводу | ISO5211 |
| Модель электропривода | ЭПР3 |
| Питание электропривода | ~110...230 В или =24 В |
|
Модель |
Ду, мм |
Kv, м³/ч |
Присоединение |
Посадочный размер, мм |
Вес, г |
|
КПР-2Ф-015 FSP |
15 |
20 |
F½" |
9×9 |
2300 |
| КПР-2Ф-020 FSP |
20 |
38 |
F¾" |
9×9 |
3000 |
| КПР-2Ф-025 FSP |
25 |
69 |
F1" |
11×11 |
3600 |
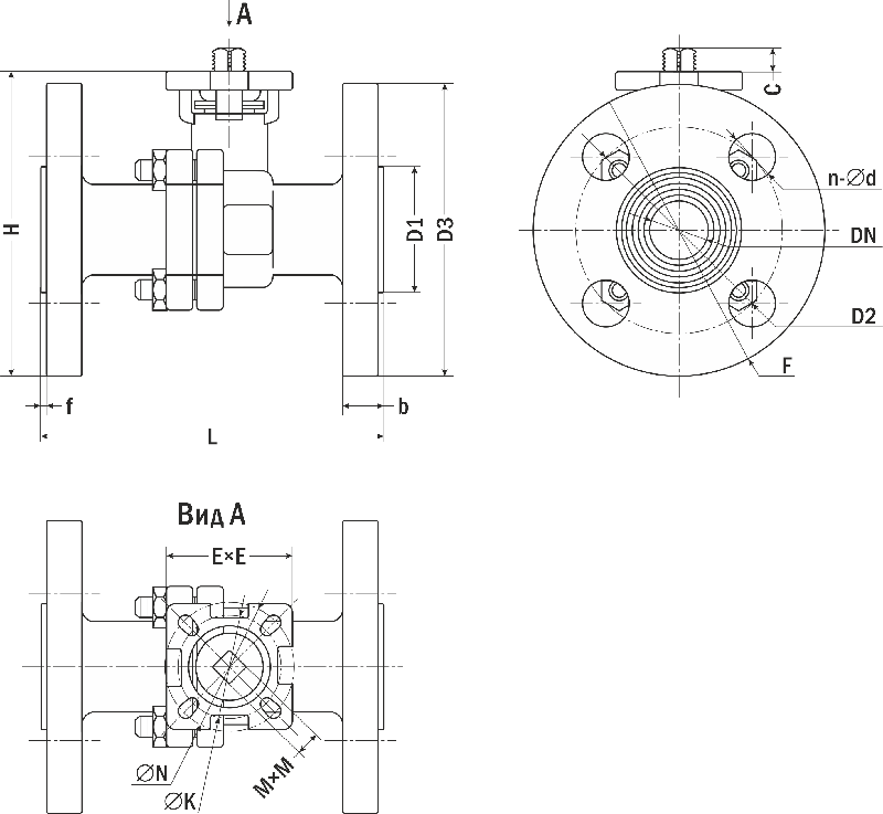
|
Модель |
Размеры, мм |
||||||||||||||
|
G |
DN |
b |
C |
D1 | D2 | D3 |
E×E |
f |
H |
L |
M×M |
K |
N |
n-∅ d | |
| КПР-2Ф-015 | F½" | 15 |
16 |
11 |
44 | 65 | 93 |
44×44 |
2 |
97 |
115 |
9×9 |
36 (F03) |
42 (F04) |
4-14 |
| КПР-2Ф-020 | F¾" | 20 |
18 |
14 |
57 | 75 | 104 |
44×44 |
2 |
106 |
120 |
9×9 |
36 (F03) |
42 (F04) |
4-14 |
|
КПР-2Ф-025 |
F1" |
25 |
18 |
11 |
67,5 | 85 | 114 |
50×50 |
2 |
117 |
124 |
11×11 |
42 (F04) |
50 (F05) |
4-14 |
